检测仪前面板示意图
调节器主要端子功能
公司大事记|设计开发|招贤纳士|联系我们
产品中心
roduct center
010-65866067
0317-2911366
收藏
价格:¥
盒装数量:10只/盒
选择数量:
一. 规格参数:
电压:24V,电流:300A
二.保护功能:
定时保护,短路保护,过载保护,顶齿保护,二次起动保护, 抛负载吸收,拖带保护。
三. 产品图例
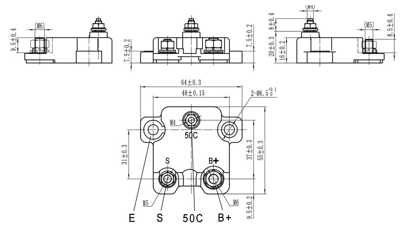
四. 外形结构:
五. 接线图:
六. 注意事项:
1、工作电压24V,最高不超过36V
2、输出和B+,严禁接反
3、适用机型:柴油发动机起动机
4、外壳必须接地
型号 QJ232
适配机型 CTA电子起动继电器QJ232
¥
查看详情立即购买
北京中纺恒远汽车电器有限公司
北京市朝阳区延静里中街3号
Powered by HuaHao
Copyrights 2006-2021 All Rights Reserved 京ICP备11038567号-1
法律公告|隐私保护